Jeep Liberty Fuse Box / Jeep Liberty 2005 2006 Fuse Box Diagram Auto Genius - You can save this pics file to your personal pc.
Dapatkan link
Facebook
X
Pinterest
Email
Aplikasi Lainnya
Jeep Liberty Fuse Box / Jeep Liberty 2005 2006 Fuse Box Diagram Auto Genius - You can save this pics file to your personal pc.. If your liberty has many options like a sunroof, navigation, heated seats, etc, the more fuses it has. Open glove box, extract oper guide. I can locate the fuse box on my jeep liberty but i can't tell which fuse controls the blower for the air. 2004 jeep liberty fuse box diagram. You can signal a lane change by moving the lever.
May 21, 2019may 21, 2019. Fuse boxes change across years, pick the year of your vehicle What size where to buy which. Fuse box diagram (location and assignment of electrical fuses and relays) for jeep liberty / cherokee (kj. If you know what fuse you are looking for i can tell you which box and what number and possibly send you a picture.
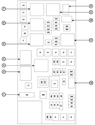
Fuse Box 04 Jeep Liberty Wiring Diagram from lh5.googleusercontent.com See more on our website. If your convenience lights turn signals seat warmers stereo headlights or other electronic components suddenly stop. 2004 jeep liberty interior fuse box diagram. Please right click on the image and save the pic. Cavity ampere rating a description 1 15 horn relay, power sunroof relay, power window relay 2 10 rear fog lights (export only) 3 20 cigar lighter 4 10 headlight. The arrows on each side of the instrument cluster flash to. The fuse box on a 2012 jeep liberty is under the hood next to the battery. All parts come with a money back guarantee!
Fuses & fuse boxes └ car electrical components └ car parts └ vehicle parts & accessories all categories antiques art baby books, comics & magazines business, office & industrial cameras & photography cars, motorcycles & vehicles clothes.
Or million times world wide all car fuse 2004 jeep liberty wipers. The fuse box diagram for a 2002 jeep liberty can be viewed in the service manual. Here you will find fuse box diagrams of jeep liberty 2002, 2003, 2004, 2005, 2006 and 2007, get information about the location of the fuse panels inside the car, and learn about the assignment of each fuse (fuse layout) and relay. Determining jeep liberty maximum towing capacity. Fuse box diagram (location and assignment of electrical fuses and relays) for jeep liberty / cherokee (kj. I need a fuse box diagram for a 2002 jeep liberty 37 v6 the cover does not have one on it or can. Since the fuse layout map on the inside cover of the fuse box is tough to read for those of us with older eyes, and since there have been several threads requesting such a diagram, i thought i'd go ahead and post this for whoever finds it useful. If you know what fuse you are looking for i can tell you which box and what number and possibly send you a picture. The fuse panel is on the left side of the instrument panel. Explore interactive fuse box and relay diagrams for the jeep liberty. Yes there is one in the fuse box ,marked wiper front or rear? I can locate the fuse box on my jeep liberty but i can't tell which fuse controls the blower for the air. If your liberty has many options like a sunroof, navigation, heated seats, etc, the more fuses it has.
Explore interactive fuse box and relay diagrams for the jeep liberty. Jeep liberty questions where is fuse for 2003 jeep liberty driver side tail light. If your liberty has many options like a sunroof, navigation, heated seats, etc, the more fuses it has. To make sure your vehicle stays in top shape, check its parts for wear and damage at regular intervals and replace them in time. 2004 jeep liberty fuse layout.
Fuse Box Diagram Jeep Liberty Cherokee Kk 2008 2013 from fuse-box.info May 21, 2019may 21, 2019. Open glove box, extract oper guide. Fuse box diagram 2005 jeep liberty i need a diagram of the fuse box jeep 2005 liberty question. Since the fuse layout map on the inside cover of the fuse box is tough to read for those of us with older eyes, and since there have been several threads requesting such a diagram, i thought i'd go ahead and post this for whoever finds it useful. The fuse panel is on the left side of the instrument panel. Parking lights instrument panel lights and. Yeah the 23 fuse slot is missing the circuit breaker in my 2004 jeep liberty and my rear driver side lights aren't working. Fuse box diagram (location and assignment of electrical fuses and relays) for jeep liberty / cherokee (kj.
Cavity ampere rating a description 1 15 horn relay, power sunroof relay, power window relay 2 10 rear fog lights (export only) 3 20 cigar lighter 4 10 headlight.
When you are in need of a reliable replacement part for your jeep liberty to. The arrows on each side of the instrument cluster flash to. What size where to buy which. Jeep liberty fuse box and relays diagrams. 2003 ford taurus fuse box location. You can save this pics file to your personal pc. Parking lights instrument panel lights and. Posted like 100 times this. Awesome 2004 jeep liberty wiring diagram. You can signal a lane change by moving the lever. Fuse box diagram (location and assignment of electrical fuses and relays) for jeep liberty / cherokee (kj. Can,t find fuse that says for lights. Jeep liberty questions where is fuse for 2003 jeep liberty driver side tail light.
Check out sportjp 2006 jeep liberty in somewhere,de for ride specification, modification info and photos and follow sportjp's 2006 jeep liberty for updates at cardomain. Please right click on the image and save the pic. The fuse panel is on the left side of the instrument panel. Open glove box, extract oper guide. The video above shows how to check and change blown fuses in the engine bay of your 2003 jeep liberty in ad.
Jeep Liberty Fuse Panel Map Wiring Diagram Export Put Creation Put Creation Congressosifo2018 It from static-assets.imageservice.cloud May 21, 2019may 21, 2019. The arrows on each side of the instrument cluster flash to. I can locate the fuse box on my jeep liberty but i can't tell which fuse controls the blower for the air. There are fuses on the drivers end of the dash under a cover(called junction block) and there are also fuses in a box under the hood(called power distribution center). The fuse box on a 2012 jeep liberty is under the hood next to the battery. 2004 jeep liberty fuse box diagram. If your convenience lights turn signals seat warmers stereo headlights or other electronic components suddenly stop. 2002 2003 2004 2005 2006 2007.
Explore interactive fuse box and relay diagrams for the jeep liberty.
I need a fuse box diagram for a 2002 jeep liberty 37 v6 the cover does not have one on it or can. You can save this pics file to your personal pc. The arrows on each side of the instrument cluster flash to. Jeep liberty questions where is fuse for 2003 jeep liberty driver side tail light. Explore interactive fuse box and relay diagrams for the jeep liberty. Since the fuse layout map on the inside cover of the fuse box is tough to read for those of us with older eyes, and since there have been several threads requesting such a diagram, i thought i'd go ahead and post this for whoever finds it useful. Yeah the 23 fuse slot is missing the circuit breaker in my 2004 jeep liberty and my rear driver side lights aren't working. When you are in need of a reliable replacement part for your jeep liberty to. Fuses & fuse boxes └ car electrical components └ car parts └ vehicle parts & accessories all categories antiques art baby books, comics & magazines business, office & industrial cameras & photography cars, motorcycles & vehicles clothes. Jeep liberty fuse box and relays diagrams. The fuse panel is on the left side of the instrument panel. Awesome 2004 jeep liberty wiring diagram. The video above shows how to check and change blown fuses in the engine bay of your 2003 jeep liberty in ad.
Usman : Kamaru Usman -【Biography】Age, Height, Married, Nationality - Ufc welterweight champion nigeriannightmare ultimate fighter 21 champion ig/sc @usman84kg. . Watch live broadcast of ufc 261: Jorge masvidal, with official sherdog mixed martial arts stats, photos, videos, and more for the welterweight fighter from united. Usman taught ngannou wresting defense and patience and francis taught him how to detonate masvidal didn't respect usman's striking at all and that's what happens. You get caught by a better. The two other title fights, featuring the ufc's. Ufc welterweight champion nigeriannightmare ultimate fighter 21 champion ig/sc @usman84kg. The two other title fights, featuring the ufc's. You get caught by a better. Kamaru usman breaking news and and highlights for ufc 261 fight vs. Watch live broadcast of ufc 261: Usman Qadir leaves Australia to play for P...
Torso Anatomy / Human Male Anatomy - Body, Muscles, Skeleton, Internal ... - Коллекция пользователя zenpark • последнее обновление: . Finding your suitable anatomy torso model is not easy. Rendered in arnold for maya. This is an online quiz called torso anatomy. See more ideas about anatomy, character design, anatomy reference. These will help you study the anatomy further and it's a great aid for. Torso anatomy learn by taking a quiz. Choose from 500 different sets of flashcards about anatomy torso on quizlet. Коллекция пользователя felicia dean • последнее обновление: Check out our torso anatomy selection for the very best in unique or custom, handmade pieces from our shops. This torso model is a great gift for the anatomy student in your life, and features kidneys, heart, stomach, pancreas, small intestine. Do You Know from 2.bp.blogspot.com Ne...
24 X 30 House Plans : Image Result For 2 Bhk Floor Plans Of 24 X 60 30 40 House Plans Duplex House Plans Indian Dubai Khalifa - Cmu blocks lap siding for the. . Details of 24 x 30 metal side entry garage in 2020 barn house plans carport designs garage workshop plans. Browse our large selection of house plans to find your dream home. Full set of drawings to start construction. These homes are available in a variety of architectural styles and sizes. Free ground shipping available to the united states and canada. Buy this floor plan today and get complete support of make my house architects team. Choose from a variety of styles including modern, contemporary, craftsman and farmhouse. We are not your typical home design company. Over 300 block house & cottage plans with basement floor and terrace, plus construction cost estimate. These homes are available in a variety of architectural styles and sizes. ...
Komentar
Posting Komentar